VXB
UCPH208-25 Palier 1 9/16" Palier monté à coussinets
Titre
Prix régulier
$49.99
Prix de vente$76.00vous économisez 26,01
SKU: UCPH208-25
UPC: 00193019333471
UPC: 00193019333471
Item: UCPH208-25 Bearing
Type: high centerheight pillow unit
Bolt Size: 1/2
Basic Load (Cr): 29.1 KN
Basic Load (Cor): 17.8 KN
Type: high centerheight pillow unit
Bolt Size: 1/2
Basic Load (Cr): 29.1 KN
Basic Load (Cor): 17.8 KN
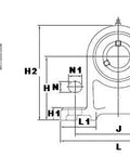
| UCPH208-25 Roulement Roulement à billes Alésage cylindrique (avec vis de réglage) Roulement de 1-9/16" de Inner Diameter |
|
Cette unité est une unité de type coussin à hauteur de centre élevée, elle a une grande résistance aux charges d'impact. Elle convient aux machines qui nécessitent des hauteurs de base à centre plus importantes, notamment les machines d'impression et les filières.
|
| Dimensions Inches | |||||||||||
|---|---|---|---|---|---|---|---|---|---|---|---|
| d | H | L | A | J | N | N1 | H1 | H2 | L1 | B | S |
| 19/16" | 3-15/16" | 7-1/4" | 2-3/4" | 5-13/32" | 21/32" | 13/16" | 25/32" | 5-29/32" | 2-1/4" | 1.937" | 0.748" |
Partager