UCFA201-8 Roulement à cartouche à bride insérée plaqué oxyde noir Roulement monté à alésage 1/2

Prix régulier $59.99 Prix de vente$100.00vous économisez 40,01
SKU: UCFA201-8-BLACK
UPC: 00193019332634
Item: UCFA201-8 Black Oxide Plated Insert Bearing + Flange Housing
Type: Flange Cartridge Unit
Basic Load (Cr): 12.8 KN
Basic Load (Cor): 6.65 KN
Bolt Size: 5/16
UCFA201-8 Unité de cartouche à bride d'insertion plaquée oxyde noir
Inner Diameter 1/2



UCFA201-8 Black Oxide Plated Insert Flange Cartridge Unit, le inner Diameter est de 1/2" inch. L'oxyde noir possède certaines propriétés et caractéristiques qui le rendent idéal pour certaines applications. Il est utilisé pour ajouter une résistance à la corrosion et pour l'apparence.

  • UCFA201-8 Roulement inséré plaqué oxyde noir + logement de bridei
  • Bride Unité de cartouche
  • Charge de baseCr: 12.8 KN
  • Charge de baseCor: 6.65 KN
  • Size: boulon Size: 5/16"
  • No: roulement No: UC201-8
  • No: boîtier No: FA204
  • Quantity: Un palier


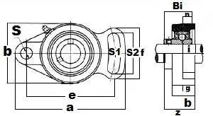
Dimensions Inches
a e i g S S1 S2 b f z Bi n
4-1/64" 3-1/16" 19/32" 15/32" 25/64" 25/64" 1-27/64" 2-3/8" 2-1/8" 1-1/32" 1.220" 1/2"



OldFormat