NB
SMSF60UU 60mm Slide Bushings Bushings Motion Linear Bearing
Titre
Prix régulier
$859.99
Prix de vente$1,316.00vous économisez 456,01
SKU: Kit20100
UPC: 00193019116074
UPC: 00193019116074
Item: SMSF60UU Bearing
Type: Linear Slide Bush
Retainer Material: Steel
Bearing Inner Diameter: 60mm
Quantity: One Bearing
Type: Linear Slide Bush
Retainer Material: Steel
Bearing Inner Diameter: 60mm
Quantity: One Bearing
| SMSF60UU Round Flange Anticorrosion Type Slide Bush Made in Japan:NB Linear Systems Nippon Bearing Linear Systems |
SMSF60UU Round Flange Anticorrosion Linear Slide Bush, The retainer material is steel, It is seals pn both sides, series mainly used in the USA, NB brand (Nippon Bearing Linear Systems), Made in Japan.
|
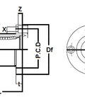
| Major Dimensions | ||||||||
|---|---|---|---|---|---|---|---|---|
| dr | D | L | Df | t | P.C.D | X x x | ||
| mm | tolerance | mm | tolerance | |||||
| 60 | 0-15 | 90 | 0-25 | 140 | 134 | 18 | 112 | 11 x x ,1 |
Partager