NB
SMF25G 25mm Douille 25mm Douilles à billes Linear Motion
Titre
Prix normal
$70.00
Prix de vente$140.00vous économisez $70.00
SKU: Kit19906
UPC: 00193019114964
UPC: 00193019114964
Item: SMF25G Bearing
Type: Linear Slide Bush
Retainer Material: Steel
Quantity: One Bearing
Dynamic load rating Cr: 980 N
Type: Linear Slide Bush
Retainer Material: Steel
Quantity: One Bearing
Dynamic load rating Cr: 980 N
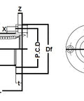
| SMF25G Douille coulissante Flange Type ronde Made in JapanNB Linear Systems NipponNippon Bearing Linear Systems |
SMF25G Round Linear Slide Bush, The retainer material is steel, series mainly used in the USA, NB brand (Nippon Bearing Linear Systems), Made in Japan.
|
| Major Dimensions | ||||||||
|---|---|---|---|---|---|---|---|---|
| dr | D | L | Df | t | P.C.D | X x x | ||
| mm | tolerance | mm | tolerance | |||||
| 25 | 0-10 | 40 | 0-19 | 59 | 62 | 8 | 51 | 5,5 x x ,1 |
Partager