NB
SMF20G 20mm Douille 20mm Douilles à billes Linear Motion miniature Linear Motion
Titre
Prix régulier
$59.99
Prix de vente$100.00vous économisez 40,01
SKU: Kit19905
UPC: 00193019114957
UPC: 00193019114957
Item: SMF20G Bearing
Type: Linear Miniature Slide Bush
Retainer Material: Resin
Quantity: One Bearing
Dynamic load rating Cr: 882 N
Type: Linear Miniature Slide Bush
Retainer Material: Resin
Quantity: One Bearing
Dynamic load rating Cr: 882 N
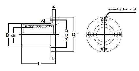
| SMF20G Round Flange Type:Miniature Slide Bush Made in JapanNB Linear Systems NipponNippon Bearing Miniature Linear Systems |
SMF20G Round Miniature Linear Slide Bush, The retainer material is resin, series mainly used in the USA, NB brand (Nippon Bearing Linear Systems), Made in Japan.
|
| Major Dimensions | ||||||||
|---|---|---|---|---|---|---|---|---|
| dr | D | L | Df | t | P.C.D | X x x | ||
| mm | tolerance | mm | tolerance | |||||
| 20 | 0-10 | 32 | 0-19 | 42 | 54 | 8 | 43 | 5,5 x x ,1 |
Partager