VXB
HC213 65mm Insert de Roulement - Collier Excentrique 65mm Monté
Titre
Prix régulier
$99.99
Prix de vente$200.00vous économisez 100,01
SKU: HC213
UPC: 00193019199237
UPC: 00193019199237
Item: HC213
Type: Insert with Eccentric Collar
Shaft Diameter: 65mm
Dynamic Load Rating: 270096 N
Static Load Rating: 193542 N
Type: Insert with Eccentric Collar
Shaft Diameter: 65mm
Dynamic Load Rating: 270096 N
Static Load Rating: 193542 N
| HC213 65mm Bearing Insert with Eccentric Collar 65mm Inner Diameter |
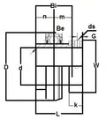
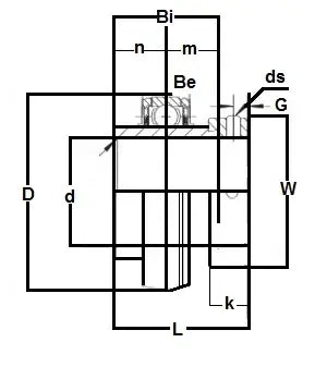
HC213 65mm insert de roulement avec collier excentrique, le roulement est de type standard, la bague intérieure est large et la bague extérieure est sphérique, la rainure de re-lubrification est avec un trou d'huile du côté de la vis de réglage, la vis de réglage est patchée en nylon de classe 3A, le joint standard est le R-Seal.
|
| Dimensions mm | ||||||||
|---|---|---|---|---|---|---|---|---|
| D | Bi | Be | r | n | m | G | W | ds(UNF-ThreadThread) |
| 120 | 65.1 | 27 | 2.5 | 25.4 | 39.7 | 12 | 82.1 | M10xP1.25 |
HC213 65mm Insert de roulement avec collier excentrique 65mm Monté
Partager