VXB

FHSPW204-13 Roulement Ductile 11/16 à Palier à Roulement FHSPW204-13 à Palier FHSPW204-13 à Palier Ductile 11/16

Prix régulier $99.99 Prix de vente$200.00vous économisez 100,01
SKU: Kit18290
UPC: 00193019261781
Item: FHSPW204-13 Bearing
Type: Pillow Block Cast Iron Light Duty
Shaft Diameter: 11/16" inch
Bolt Size: 3/8" inch
Bearing No: FHS204-13
Cet article sera expédié dans un délai d'une semaine
Les retours sont soumis à des frais de restockage de 15 %.


FHSPW204-13 Pillow Block Ductile Light Duty Ball Bearing
11/16" Inner Diameter


FHSPW204-13 Palier à billes ductile pour usage léger, le roulement est de conception solide avec pied, le roulement a une bague intérieure étroite, le roulement est une unité non relubrifiable, le joint standard est un joint RST à ajustement serré, à couverture complète, seals métallique.

  • FHSPW204-13 Roulement
  • Palier en fonte Light Duty
  • Diameter: l'arbre Diameter: 11/16" inch
  • Size: boulon Size: 3/8" inch
  • No: roulement No: FHS204-13
  • No: boîtier No: HA
  • Quantity: 1 palier
  • Roulement à billes


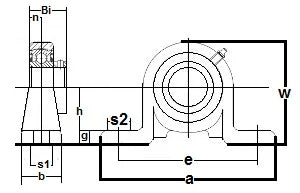
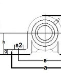
Dimensions inches
h a e b s1 s2 g w Bi n
1-5/16" 4-3/4" 3-13/16" 1-1/16" 7/16" 5/8" 3/8" 2-7/16" 63/64" 16/64"