VXB

FHSPW202-10 Palier Ductile 5/8 à bloc pilon

Prix normal $65.00 Prix de vente$130.00vous économisez 65,00
SKU: Kit18285
UPC: 00193019261736
Item: FHSPW202-10 Bearing
Type: Pillow Block Cast Iron Light Duty
Shaft Diameter: 5/8" inch
Bolt Size: 3/8" inch
Bearing No: FHS202-10
Cet article sera expédié dans un délai d'une semaine
Les retours sont soumis à des frais de restockage de 15 %.


FHSPW202-10 Pillow Block Ductile Light Duty Ball Bearing
5/8" Inner Diameter


FHSPW202-10 Pillow Block Ductile Light Duty Ball Bearing, le roulement a une conception de logement de pied solide, le roulement a une bague intérieure étroite, le roulement est une unité non relubrifiable, le joint standard est RST tight riding, full cover, metal shroud seals.

  • FHSPW202-10 Roulement
  • Palier en fonte Light Duty
  • Diameter: l'arbre Diameter: 5/8" inch
  • Size: boulon Size: 3/8" inch
  • No: roulement No: FHS202-10
  • No: boîtier No: HA
  • Quantity: 1 palier
  • Roulement à billes


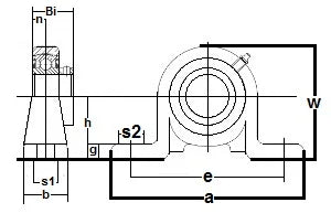
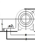
Dimensions inches
h a e b s1 s2 g w Bi n
1-3/16" 4-7/16" 3-7/16" 1" 7/16" 5/8" 11/32" 2-5/32" 57/64" 0.256"