VXB
FHPW205-15G Roulement en fonte à palier lisse 15/16" inch
Titre
Prix régulier
$88.88
Prix de vente$200.00vous économisez 111,12
SKU: Kit18324
UPC: 00193019262030
UPC: 00193019262030
Item: FHPW205-15G Bearing
Type: Pillow Block Cast Iron Light Duty
Shaft Diameter: 7/8" Inch
Bolt Size: 3/8" inch
Bearing No: FH205-15G
Type: Pillow Block Cast Iron Light Duty
Shaft Diameter: 7/8" Inch
Bolt Size: 3/8" inch
Bearing No: FH205-15G
| Cet article sera expédié dans un délai d'une semaine Les retours sont soumis à des frais de restockage de 15 %. |
|
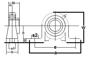
FHPW205-15G Pillow Block Ductile Light Duty Ball Bearing Eccentric Locking Collar 7/8"Inner Diameter |
FHPW205-15G Pillow Block Ductile Light Duty Ball Bearing, le roulement est conçu avec une base solide, la bague intérieure est étroite, le roulement est une unité relubrifiable, le joint standard est RST tight riding, full cover, metal shroud seals.
|
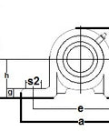
| Dimensions Inches | ||||||||||||
|---|---|---|---|---|---|---|---|---|---|---|---|---|
| h | a | e | b | s1 | s2 | g | w | L | n | m | i | W |
| 1-7/16" | 5" | 3-15/16" | 1-1/8" | 7/16" | 5/8" | 13/32" | 2-11/16" | 1-7/32" | 19/64" | 35/64" | 3/8" | 1-1/4" |
Partager