VXB
FHPW204-12G Bloc-palier en fonte 3/4 inch
Titre
Prix normal
$70.00
Prix de vente$140.00vous économisez $70.00
SKU: Kit18318
UPC: 00193019261972
UPC: 00193019261972
Item: FHPW204-12G Bearing
Type: Pillow Block Cast Iron Light Duty
Shaft Diameter: 3/4" Inch
Bolt Size: 3/8" inch
Bearing No: FH204-12G
Type: Pillow Block Cast Iron Light Duty
Shaft Diameter: 3/4" Inch
Bolt Size: 3/8" inch
Bearing No: FH204-12G
| Cet article sera expédié dans un délai d'une semaine Les retours sont soumis à des frais de restockage de 15 %. |
|
FHPW204-12G Pillow Block Ductile Light Duty Ball Bearing Eccentric Locking Collar 3/4"Inner Diameter |
FHPW204-12G Pillow Block Ductile Light Duty Ball Bearing, le palier est conçu avec une base solide, la bague intérieure est étroite, le palier est relubrifiable, le joint standard est RST tight riding, full cover, metal shroud seals.
|
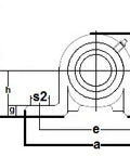
| Dimensions Inches | ||||||||||||
|---|---|---|---|---|---|---|---|---|---|---|---|---|
| h | a | e | b | s1 | s2 | g | w | L | n | m | i | W |
| 1-5/16" | 4-3/4" | 3-13/16" | 1-1/16" | 7/16" | 5/8" | 3/8 | 2-7/16 | 63/64" | 19/64" | 35/64" | 3/8" | 1-1/4" |
Partager