VXB

1 Ton Heavy Duty 20 inch Diameter Commercial Turntable Bearing

Prix régulier $299.99 Prix de vente$406.99vous économisez 107,00
SKU: 1TON-20-HEAVY-DUTY-TURNTABLE
UPC: 00193019002957
Type: Turntable Bearing
Size: 301mm x 520mm x 56mm
Bearing Inner Diameter: 301mm
Bearing Outer Diameter: 520mm

1 Ton Heavy Duty Turntable Bearing - 20" Diameter
✔️ 301mm x 520mm x 56mm - Extra Large, Pre-Greased

Ce roulement de plateau tournant robuste est conçu pour supporter des charges importantes avec un mouvement de rotation en douceur. Conçu pour les grandes plates-formes rotatives, les tables industrielles et les machines lourdes, il est doté d'une construction à contact angulaire et supporte facilement jusqu'à 1 ton . Prélubrifié et prêt à être monté.

✅ Pack size: 1 très grand roulement de plateau tournant
✅ Capacité de charge : 1 ton
✅ Inner diameter: 301mm
✅ Outer diameter: 520mm
✅ Width: 56mm
✅ Type: Contact angulaire, conception robuste
✅ Lubrification : Pré-graissé pour une utilisation immédiate

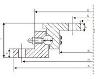
Dimensions détailléesmm:

A B C D E f h H d
520 451 486 336 371 301 12 56 15.875

💡 Qu'est-ce qui fait que les roulements à contact angulaire pour plateaux tournants sont idéaux pour les charges lourdes ?
Les roulements à contact angulaire supportent à la fois les charges axial et radial , assurant une rotation en douceur même en cas de poids et de contraintes élevés. Ils sont parfaits pour les plateaux tournants, les grues et les plates-formes porteuses qui nécessitent une stabilité et un mouvement précis.

Lorsque votre travail exige une grande force et une rotation en douceur, ce roulement est à la hauteur de la tâche. Procurez-vous le vôtre dès maintenant et faites tourner les choses en douceur !