VXB

UCFB207 ベアリング 35mmスリーボルトフランジ付ベアリング

通常価格 $39.99 セール価格$61.0021.01ドルお得
SKU: Kit13752
UPC: 00193019213179
Item: UCFB207 Bearing
Type: Flanged Mounted Bearing
Shaft Diameter: 35mm
Bolt Size: M8
Bearing No: UC207
UCFB207 フランジ付き 3 ボルト ベアリング
35mm Inner Diameter


UCFB207 3ボルトフランジ付きベアリング、Inner Diameter 35mm。

  • UCFB207 ベアリング
  • フランジ付きベアリング
  • シャフトDiameter: 35mm
  • ボルトSize: M8
  • ベアリングNo: UC207
  • ハウジングNo: FB207
  • 基本動荷重Cr25,700 N
  • 基本静荷重Cor:15,400 N
  • Quantity: 1 ベアリング


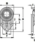
Dimensions mm
a h e j g L f
143.5 54.5 46 31.8 12.7 36.5 82.6