VXB

UCFB203ベアリング17mm3本ボルトフランジ付ベアリング

通常価格 $29.99 セール価格$46.0016.01ドルお得
SKU: Kit13744
UPC: 00193019213131
Item: UCFB203 Bearing
Type: Flanged Mounted Bearing
Shaft Diameter: 17mm
Bolt Size: M8
Bearing No: UC203
UCFB203 フランジ付き 3 ボルト ベアリング
17mm Inner Diameter


UCFB203 3ボルトフランジ付きベアリング、Inner Diameter 17mm。

  • UCFB203 ベアリング
  • フランジ付きベアリング
  • シャフトDiameter: 17mm
  • ボルトSize: M8
  • ベアリングNo: UC203
  • ハウジングNo: FB204
  • 基本荷重Cr12.8KN
  • 基本荷重Cor:6.65KN
  • Quantity: 1 ベアリング


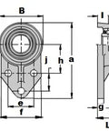
Dimensions mm
a h e j i g I b f
110.55 42 32 27.5 6.5 11.7 25.4 62.45 52.5