VXB

UCFA207 フランジカートリッジベアリングユニット35mm マウントベアリング

通常価格 $39.99 セール価格$61.0021.01ドルお得
SKU: Kit13764
UPC: 00193019213292
Item: UCFA207 Bearing
Type: Adjustable Flange Cartridge Unit
Basic Dynamic Load (Cr): 25,700 N
Basic Static Load (Cor): 15,400 N
Bolt Size: 1/2" Inch
UCFA207 調整可能フランジカートリッジユニット
Inner Diameter35mm


UCFA207 アジャスタブルフランジカートリッジユニット、inner Diameter 35mm。

  • UCFA207 ベアリング
  • アジャスタブルフランジカートリッジユニット
  • 基本動荷重Cr25,700 N
  • 基本静荷重Cor:15,400 N
  • ボルトSize: 1/2Inch
  • ベアリングNo: UC207
  • ハウジングNo: FA207
  • Quantity: 1 ベアリング


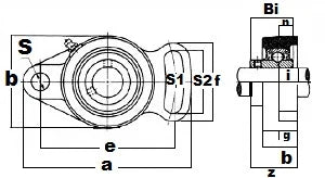
Dimensions mm
a e i g S S1 S2 b f z Bi n
161.1 130.2 19.05 15.9 13.9 15.08 65.9 90.1 82.15 44.45 42.9 17.5