45mm Stainless Steel 45mm

通常価格 $445.99 セール価格$682.00236.01ドルお得
SKU: Kit15405
UPC: 00193019221495
Item: SSER-45mm Bearing
Type: Stainless Steel Insert Ball Bearing
Shaft Diameter: 45mm
Dynamic load rating: 26155 N
Static load rating: 14768 N
この商品は1週間以内に発送されます
返品には15%の返品手数料がかかります。


45mm Stainless Steel インサート玉軸受
45mm Inner Diameter



45mm -45mmのStainless Steel 挿入物のボールベアリングは、軸受けねじロックである、軸受けは円柱外リングおよびスナップリングが付いている広い内部リングである、軸受けは止めねじ側面のオイル穴が付いているrelubrication溝である、軸受けはグリースの溝に反対する側面の反回転ピンである、軸受けは抵抗力がある水か洗浄と供給される。

  • SSER45mm 45mmベアリング
  • Stainless Steel インサート玉軸受
  • シャフトDiameter: 45mm
  • Dynamic load rating:26155 N
  • Static load rating14768 N
  • Quantity: 1 ベアリング
  • ボールベアリング


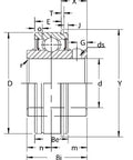
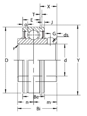
Dimensions mm
D Bi Be n M E o T J G Y X ds(スレッド解除Thread)
85 49.2 27.8 19 30.2 22.97 6.4 1.65 3.18 8 91.6 21.1 M8x1



旧形式