NB
SMSF6UU 6mm スライド ブッシュ ブッシュ モーション リニア ベアリング
タイトル
通常価格
$88.88
セール価格$200.00111.12ドルお得
SKU: Kit20088
UPC: 00193019115954
UPC: 00193019115954
Item: SMSF6UU Bearing
Type: Linear Miniature Slide Bush
Retainer Material: Steel
Quantity: One Bearing
Dynamic load rating Cr: 206 N
Type: Linear Miniature Slide Bush
Retainer Material: Steel
Quantity: One Bearing
Dynamic load rating Cr: 206 N
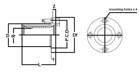
| SMSF6UU 丸型フランジ 耐食タイプ:ミニチュアスライドブシュ 日本製NB リニアシステム Nippon Bearing ミニチュアリニアシステムズ |
SMSF6UU 円形のフランジの反腐食のミニチュアLinear Slide ブッシュ、軸受けは両側のseals です、retainer material 鋼鉄、米国で主に使用されるseries 、NB のブランドNippon Bearing 線形システム)、日本製です。
|
| Major Dimensions | ||||||||
|---|---|---|---|---|---|---|---|---|
| dr | D | L | Df | t | P.CD | x | ||
| mm | tolerance | mm | tolerance | |||||
| 6 | 0-9 | 12 | 0-13 | 19 | 28 | 5 | 20 | 3.5x x .1 |