NB
SMSF6GUU 6mm スライド ブッシュ ブッシュ ミニチュア モーション リニア ベアリング
タイトル
通常価格
$65.00
セール価格$130.0065ドルお得
SKU: Kit20101
UPC: 00193019116081
UPC: 00193019116081
Item: SMSF6GUU Bearing
Type: Linear Miniature Slide Bush
Retainer Material: Resin
Quantity: One Bearing
Dynamic load rating Cr: 206 N
Type: Linear Miniature Slide Bush
Retainer Material: Resin
Quantity: One Bearing
Dynamic load rating Cr: 206 N
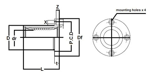
| SMSF6GUU 丸型フランジ 防錆タイプ:ミニチュアスライドブシュ 日本製:NB リニアシステム Nippon Bearing ミニチュアリニアシステムズ |
SMSF6GUU 丸フランジ防錆Linear Slide 、ベアリングは両側seals 、retainer material 樹脂、主に米国で使用されているseries 、NBブランドNippon Bearing )、日本製。
|
| Major Dimensions | ||||||||
|---|---|---|---|---|---|---|---|---|
| dr | D | L | Df | t | P.CD | x | ||
| mm | tolerance | mm | tolerance | |||||
| 6 | 0-9 | 12 | 0-13 | 19 | 28 | 5 | 20 | 3.5x x .1 |