NB
SMSF66mm スライド ブッシュ ブッシュ ミニチュア モーション リニア ベアリング
タイトル
通常価格
$70.00
セール価格$140.0070ドル引き
SKU: Kit20062
UPC: 00193019115695
UPC: 00193019115695
Item: SMSF6 Bearing
Type: Linear Miniature Slide Bush
Retainer Material: Steel
Quantity: One Bearing
Dynamic load rating Cr: 206 N
Type: Linear Miniature Slide Bush
Retainer Material: Steel
Quantity: One Bearing
Dynamic load rating Cr: 206 N
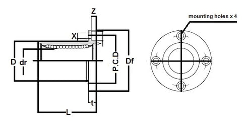
| SMSF6 丸フランジ 耐食タイプ:ミニチュアスライドブシュ 日本製NB リニアシステムズ Nippon Bearing ミニチュアリニアシステムズ |
SMSF6丸フランジ防錆Linear Slide 、retainer material スチール、series 主に米国で使用され、NBブランドNippon Bearing )、日本製。
|
| Major Dimensions | ||||||||
|---|---|---|---|---|---|---|---|---|
| dr | D | L | Df | t | P.CD | x | ||
| mm | tolerance | mm | tolerance | |||||
| 6 | 0-9 | 12 | 0-13 | 19 | 28 | 5 | 20 | 3.5x x .1 |