NB
SMSF4040mm スライド ブッシュ ブッシュ モーション リニア ベアリング
タイトル
通常価格
$484.99
セール価格$742.00257.01ドルお得
SKU: Kit20072
UPC: 00193019115794
UPC: 00193019115794
Item: SMSF40 Bearing
Type: Linear Slide Bush
Retainer Material: Steel
Quantity: One Bearing
Dynamic load rating Cr: 2160 N
Type: Linear Slide Bush
Retainer Material: Steel
Quantity: One Bearing
Dynamic load rating Cr: 2160 N
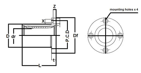
| SMSF40 丸フランジ防食タイプ スライドブシュ 日本製NB リニアシステムズ Nippon Bearing |
SMSF40丸フランジ防錆Linear Slide 、retainer material スチール、series 主に米国で使用され、NBブランドNippon Bearing )、日本製。
|
| Major Dimensions | ||||||||
|---|---|---|---|---|---|---|---|---|
| dr | D | L | Df | t | P.CD | x | ||
| mm | tolerance | mm | tolerance | |||||
| 40 | 0-12 | 60 | 0-22 | 80 | 96 | 13 | 78 | 9x x .1 |