NB
SMSF35UU 35mm スライド ブッシュ ブッシュ モーション リニア ベアリング
タイトル
通常価格
$348.99
セール価格$534.00185.01ドルお得
SKU: Kit20097
UPC: 00193019116043
UPC: 00193019116043
Item: SMSF35UU Bearing
Type: Linear Slide Bush
Retainer Material: Steel
Quantity: One Bearing
Dynamic load rating Cr: 1670 N
Type: Linear Slide Bush
Retainer Material: Steel
Quantity: One Bearing
Dynamic load rating Cr: 1670 N
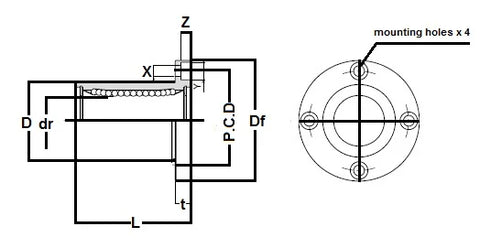
| SMSF35UU 丸フランジ防食タイプ スライドブシュ 日本製NB リニアシステムズ Nippon Bearing リニアシステムズ |
SMSF35UU 円形のフランジの防蝕Linear Slide ブシュ、retainer material 鋼鉄です、それは米国、NB のブランドNippon Bearing 線形システム)で主に使用されるseries 両側、日本製seals pn です。
|
| Major Dimensions | ||||||||
|---|---|---|---|---|---|---|---|---|
| dr | D | L | Df | t | P.CD | x | ||
| mm | tolerance | mm | tolerance | |||||
| 35 | 0-12 | 52 | 0-22 | 70 | 82 | 10 | 67 | 6.6x x .1 |