NB
SMSF3535mm スライド ブッシュ ブッシュ モーション リニア ベアリング
タイトル
通常価格
$372.99
セール価格$571.00198.01ドルお得
SKU: Kit20071
UPC: 00193019115787
UPC: 00193019115787
Item: SMSF35 Bearing
Type: Linear Slide Bush
Retainer Material: Steel
Quantity: One Bearing
Dynamic load rating Cr: 1670 N
Type: Linear Slide Bush
Retainer Material: Steel
Quantity: One Bearing
Dynamic load rating Cr: 1670 N
| SMSF35 丸フランジ防食タイプ スライドブシュ 日本製NB リニアシステムズ Nippon Bearing リニアシステムズ |
SMSF35丸フランジ防錆Linear Slide 、retainer material スチール、主に米国で使用されているseries 、NBブランドNippon Bearing )、日本製。
|
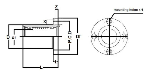
| Major Dimensions | ||||||||
|---|---|---|---|---|---|---|---|---|
| dr | D | L | Df | t | P.CD | x | ||
| mm | tolerance | mm | tolerance | |||||
| 35 | 0-12 | 52 | 0-22 | 70 | 82 | 10 | 67 | 6.6x x .1 |