NB
SMSF30UU 30mm スライド ブッシュ ブッシュ モーション リニア ベアリング
タイトル
通常価格
$214.99
セール価格$329.00114.01ドルお得
SKU: Kit20096
UPC: 00193019116036
UPC: 00193019116036
Item: SMSF30UU Bearing
Type: Linear Slide Bush
Retainer Material: Steel
Bearing Inner Diameter: 30mm
Quantity: One Bearing
Type: Linear Slide Bush
Retainer Material: Steel
Bearing Inner Diameter: 30mm
Quantity: One Bearing
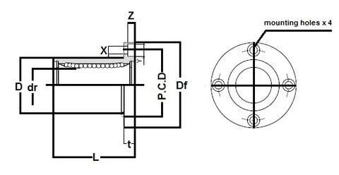
| SMSF30UU 丸Flange Type スライドブシュ 日本製:NB リニアシステムズ Nippon Bearing |
SMSF30UU 丸型Linear Slide 、retainer material スチール、両側seals 付き、主にアメリカで使用されているseries 、NBブランドNippon Bearing )、日本製。
|
| Major Dimensions | ||||||||
|---|---|---|---|---|---|---|---|---|
| dr | D | L | Df | t | P.CD | x | ||
| mm | tolerance | mm | tolerance | |||||
| 30 | 0-10 | 45 | 0-19 | 64 | 74 | 10 | 60 | 6.6x x .1 |