NB
SMSF25UU 25mm スライド ブッシュ ブッシュ モーション リニア ベアリング
タイトル
通常価格
$139.99
セール価格$214.0074.01ドルお得
SKU: Kit20095
UPC: 00193019116029
UPC: 00193019116029
Item: SMSF25UU Bearing
Type: Linear Slide Bush
Retainer Material: Steel
Bearing Inner Diameter: 25mm
Quantity: One Bearing
Type: Linear Slide Bush
Retainer Material: Steel
Bearing Inner Diameter: 25mm
Quantity: One Bearing
| SMSF25UU 丸型防錆Flange Type 日本製NB リニアシステムズ Nippon Bearing |
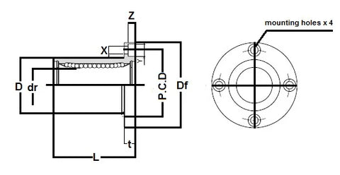
SMSF25UU 丸型防錆Linear Slide 、retainer material スチール、それは両側にseals 、主に米国で使用されているseries 、NBブランドNippon Bearing )、日本製です。
|
| Major Dimensions | ||||||||
|---|---|---|---|---|---|---|---|---|
| dr | D | L | Df | t | P.CD | x | ||
| mm | tolerance | mm | tolerance | |||||
| 25 | 0-10 | 40 | 0-19 | 59 | 62 | 8 | 51 | 5.5x x .1 |