NB
SMSF2525mm スライド ブッシュ ブッシュ モーション リニア ベアリング
タイトル
通常価格
$182.99
セール価格$280.0097.01ドルお得
SKU: Kit20069
UPC: 00193019115763
UPC: 00193019115763
Item: SMSF25 Bearing
Type: Linear Slide Bush
Retainer Material: Steel
Quantity: One Bearing
Dynamic load rating Cr: 980 N
Type: Linear Slide Bush
Retainer Material: Steel
Quantity: One Bearing
Dynamic load rating Cr: 980 N
| SMSF25 丸型防錆Flange Type 日本製NB リニアシステムズ Nippon Bearing |
SMSF25 Round Anticorrosion Linear Slide Bush, The retainer material is steel, series mainly used in the USA, NB brand (Nippon Bearing Linear Systems), Made in Japan.
|
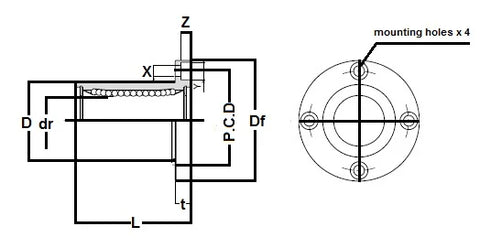
| Major Dimensions | ||||||||
|---|---|---|---|---|---|---|---|---|
| dr | D | L | Df | t | P.CD | x | ||
| mm | tolerance | mm | tolerance | |||||
| 25 | 0-10 | 40 | 0-19 | 59 | 62 | 8 | 51 | 5.5x x .1 |