NB
SMSF20UU 20mm スライド ブッシュ ブッシュ ミニチュア モーション リニア ベアリング
タイトル
通常価格
$120.00
セール価格$250.00130ドルお得
SKU: Kit20094
UPC: 00193019116012
UPC: 00193019116012
Item: SMSF20UU Bearing
Type: Linear Miniature Slide Bush
Retainer Material: Steel
Bearing Inner Diameter: 20mm
Quantity: One Bearing
Type: Linear Miniature Slide Bush
Retainer Material: Steel
Bearing Inner Diameter: 20mm
Quantity: One Bearing
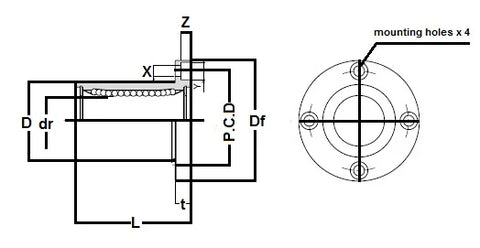
| SMSF20UU 丸型フランジ 耐食タイプ:ミニチュアスライドブシュ 日本製NB リニアシステム Nippon Bearing ミニチュアリニアシステムズ |
SMSF20UU Round Flange Anticorrosion Miniature Linear Slide Bush, The retainer material is steel, It is seals pn both sides, series mainly used in the USA, NB brand (Nippon Bearing Linear Systems), Made in Japan.
|
| Major Dimensions | ||||||||
|---|---|---|---|---|---|---|---|---|
| dr | D | L | Df | t | P.CD | x | ||
| mm | tolerance | mm | tolerance | |||||
| 20 | 0-10 | 32 | 0-19 | 42 | 54 | 8 | 43 | 5.5x x .1 |