SMSF13G 13mm Slide Bush Bushings Miniature Motion Linear Bearing designed for smooth motion and stable alignment in automation and mechanical systems, 1-pack for long service life

通常価格 $70.00 セール価格$140.0070ドル引き
SKU: Kit20079
UPC: 00193019115862
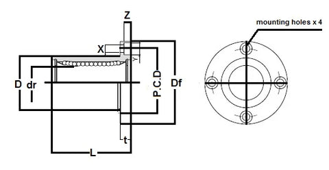
Item: SMSF13G Bearing
Type: Linear Miniature Slide Bush
Retainer Material: Resin
Quantity: One Bearing
Dynamic load rating Cr: 510 N

SMSF13G 13mm Slide Bush Bushings Miniature Motion Linear Bearing made for smooth installs and
✔️ SMSF13G 13mm Slide Bush Bushings Miniature Motion Linear Bearing

This 1 pack is designed for clean replacement and smooth mechanical operation.

✅ Pack size: 1
✅ Smooth motion for mechanical assemblies
✅ Stable fit to reduce play and vibration
✅ Made for repeated use in motion systems
✅ Works for upgrades or direct replacements

💡 How does screw pitch affect feed rate and torque on CNC machines?
Quick answer: match pitch, load, and support style to your machine setup.
* Pitch controls feed speed and motor load
* End supports keep alignment stable under load
* Proper lubrication reduces heat and wear

Built to help maintain accuracy and smooth movement in working systems.