NB
SMSF1010mm スライド ブッシュ ブッシュ ミニチュア モーション リニア ベアリング
タイトル
通常価格
$59.99
セール価格$100.0040.01ドルお得
SKU: Kit20064
UPC: 00193019115718
UPC: 00193019115718
Item: SMSF10 Bearing
Type: Linear Miniature Slide Bush
Retainer Material: Steel
Quantity: One Bearing
Dynamic load rating Cr: 372 N
Type: Linear Miniature Slide Bush
Retainer Material: Steel
Quantity: One Bearing
Dynamic load rating Cr: 372 N
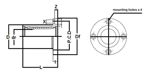
| SMSF10 丸フランジ 耐食タイプ:ミニチュアスライドブシュ 日本製:NB リニアシステム Nippon Bearing ミニチュアリニアシステムズ |
SMSF10 SMSF10 丸型フランジ防錆Linear Slide 、retainer material スチール、series 主に米国で使用され、NBブランドNippon Bearing )、日本製。
|
| Major Dimensions | ||||||||
|---|---|---|---|---|---|---|---|---|
| dr | D | L | Df | t | P.CD | x | ||
| mm | tolerance | mm | tolerance | |||||
| 10 | 0-9 | 19 | 0-16 | 30 | 40 | 6 | 29 | 4.5x .5x .1 |