NB
SMF40G40mm スライド ブッシュのボール ブッシュのLinear Motion 軸受け
タイトル
通常価格
$162.99
セール価格$249.0086.01ドルお得
SKU: Kit19908
UPC: 00193019114988
UPC: 00193019114988
Item: SMF40G Bearing
Type: Linear Slide Bush
Retainer Material: Resin
Quantity: One Bearing
Dynamic load rating Cr: 2160 N
Type: Linear Slide Bush
Retainer Material: Resin
Quantity: One Bearing
Dynamic load rating Cr: 2160 N
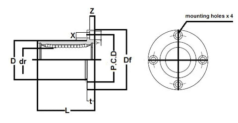
| SMF40G 丸Flange Type スライドブシュ 日本製NB リニアシステムズ Nippon Bearing |
SMF40G丸型Linear Slide 、retainer material 樹脂、主に米国で使用されているseries 、NBブランドNippon Bearing )、日本製。
|
| Major Dimensions | ||||||||
|---|---|---|---|---|---|---|---|---|
| dr | D | L | Df | t | P.CD | x | ||
| mm | tolerance | mm | tolerance | |||||
| 40 | 0-12 | 60 | 0-22 | 80 | 96 | 13 | 78 | 9x x .1 |