NB
SMF35GUU 35mm スライド ブッシュ ミニチュア ブッシュ モーション リニア ベアリング
タイトル
通常価格
$132.99
セール価格$203.0070.01ドルお得
SKU: Kit19921
UPC: 00193019115114
UPC: 00193019115114
Item: SMF35GUU Bearing
Type: Linear Slide Bush
Retainer Material: Resin
Quantity: One Bearing
Dynamic load rating Cr: 1670 N
Type: Linear Slide Bush
Retainer Material: Resin
Quantity: One Bearing
Dynamic load rating Cr: 1670 N
| SMF35GUU 丸Flange Type スライドブシュ 日本製NB リニアシステムズ Nippon Bearing |
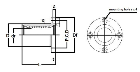
SMF35GUU 丸型Linear Slide 、retainer material 樹脂、ベアリングは両側seals 、主に米国で使用されているseries 、NBブランドNippon Bearing )、日本製。
|
| Major Dimensions | ||||||||
|---|---|---|---|---|---|---|---|---|
| dr | D | L | Df | t | P.CD | x | ||
| mm | tolerance | mm | tolerance | |||||
| 35 | 0-12 | 52 | 0-22 | 70 | 82 | 10 | 67 | 6.6x x .1 |