VXB
GER207-20 ベアリングインサート グリップIT 360度 1 1/4
タイトル
通常価格
$180.99
セール価格$277.0096.01ドルお得
SKU: Kit19317
UPC: 00193019270844
UPC: 00193019270844
Item: GER207-20 Bearing
Type: Bearing Insert
Shaft Diameter: 1 1/4" Inch
Dynamic Load Rating: 19440 N
Static Load Rating: 10320 N
Type: Bearing Insert
Shaft Diameter: 1 1/4" Inch
Dynamic Load Rating: 19440 N
Static Load Rating: 10320 N
| この商品は1週間以内に発送されます 返品には15%の返品手数料がかかります。 |
|
GER207-20 ベアリングインサート GRIP-IT 360度ロック セットスクリューロック 1 1/4Inch Inner Diameter |
GER207-20 軸受挿入物GRIP-IT 360度の錠、軸受けは標準的な積載量、軸受けである円柱外リングおよびスナップリングが付いている広い内リング、軸受け持っているcallarを締めることの反対の側面のオイル穴が付いているrelubricationの溝を、軸受けである黒酸化物によってめっきされる内部および外リング、軸受けであるナイロンによってパッチを当てられるクラス3Aの止めねじ、標準的なシールはRシールである。
|
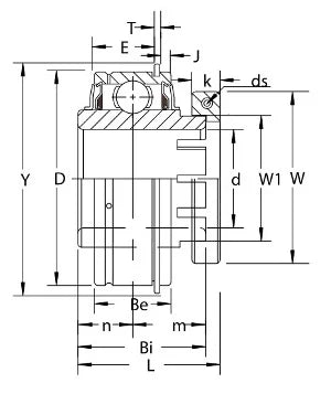
| Dimensions Inches | |||||||||||||
|---|---|---|---|---|---|---|---|---|---|---|---|---|---|
| D | Bi | Be | L | n | m | E | W1 | J | T | Y | K | W | ds (UNFスレッドThread) |
| 2-53/64" | 1-11/16" | 15/16" | 1-7/8" | 11/16" | 1" | 47/64" | 1-27/32" | 1/8" | 5/64" | 3-3/32" | 7/16" | 2-37/64" | 10-24x3/4 |