VXB

FHSPW207-23G 枕ブロック鋳鉄 1 7/16 ベアリング

通常価格 $120.00 セール価格$250.00130ドルお得
SKU: Kit16093
UPC: 00193019225646
Item: FHSPW207-23G Bearing
Type: Pillow Block Cast Iron Light Duty
Shaft Diameter: 1 7/16" Inch
Bolt Size: 1/2" inch
Bearing No: FHS207-23G
この商品は1週間以内に発送されます
返品には15%の返品手数料がかかります。


FHSPW207-23G ピローブロック鋳鉄軽負荷ボールベアリング
1 7/16「Inner Diameter


FHSPW207-23G の枕ブロックの鋳鉄の軽量ボール ベアリング、軸受けは固体フィート ハウジングの設計、軸受け持っています狭い内部リングを、軸受けです relubricatable 単位、標準的なシールです完全なカバー、金属のシュラウドのseals乗る RST 堅いです。

  • FHSPW207-23Gベアリング
  • ピローブロック鋳鉄軽荷重
  • シャフトDiameter: 1 7/16Inch
  • ボルトSize: 1/2inch
  • ベアリングNo: FHS207-23G
  • 住宅No: HA
  • Quantity: 1 ベアリング
  • ボールベアリング


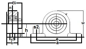
Dimensions Inch
h a e b s1 s2 g w Bi n
1-7/8" 6-1/2" 5" 1-3/8" 9/16" 13/16" 5/8" 3-21/32" 1-1/4" 3/8"