VXB
FHSPPZ205-14-IL Pillow Block Pressed Steel 7/8" inch Bearing
タイトル
通常価格
$59.99
セール価格$100.0040.01ドルお得
SKU: Kit18396
UPC: 00193019262641
UPC: 00193019262641
Item: FHSPPZ205-14-IL Bearing
Type: Pillow Block Pressed Steel Ball Bearing
Shaft Diameter: 7/8" Inch
Bolt Size: 3/8" Inch
Bearing No: FHS205-14
Type: Pillow Block Pressed Steel Ball Bearing
Shaft Diameter: 7/8" Inch
Bolt Size: 3/8" Inch
Bearing No: FHS205-14
| この商品は1週間以内に発送されます 返品には15%の返品手数料がかかります。 |
|
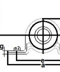
FHSPPZ205-14-IL Pillow Block Pressed Steel Ball Bearing Set Screw Locking 7/8" Inch Inner Diameter |
FHSPPZ205-14-IL Pillow Block Pressed Steel Ball Bearing, bearing is light duty, self-aligning pressed steel housings, housing unit is available with inter-locking feature(IL suffix), bearing is narrow inner ring, Standard seal is RST tight riding, full cover, metal shroud seals.
|
| Dimensions Inches | ||||||||||||
|---|---|---|---|---|---|---|---|---|---|---|---|---|
| h | a | e | b | s1 | s2 | g | w | Bi | n | |||
| 1" | 4-1/8" | 3" | 1" | 13/32" | 1/2" | 0.15" | 2-1/16" | 63/64" | 0.256" | |||