VXB
FHSPPZ203-11-IL Pillow Block Pressed Steel 11/16" inch Bearing
タイトル
通常価格
$88.88
セール価格$200.00111.12ドルお得
SKU: Kit18392
UPC: 00193019262603
UPC: 00193019262603
Item: FHSPPZ203-11-IL Bearing
Type: Pillow Block Pressed Steel Ball Bearing
Shaft Diameter: 11/16" Inch
Bolt Size: 5/16" Inch
Bearing No: FHS203-11
Type: Pillow Block Pressed Steel Ball Bearing
Shaft Diameter: 11/16" Inch
Bolt Size: 5/16" Inch
Bearing No: FHS203-11
| この商品は1週間以内に発送されます 返品には15%の返品手数料がかかります。 |
|
FHSPPZ203-11-IL ピローブロックプレス鋼ボールベアリング セットスクリューロック 11/16 "Inch Inner Diameter |
FHSPPZ203-11-IL Pillow Block Pressed Steel Ball Bearing, bearing is light duty, self-aligning pressed steel housings, housing unit is available with inter-locking feature(IL suffix), bearing is narrow inner ring, Standard seal is RST tight riding, full cover, metal shroud seals.
|
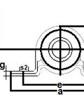
| Dimensions Inches | ||||||||||||
|---|---|---|---|---|---|---|---|---|---|---|---|---|
| h | a | e | b | s1 | s2 | g | w | Bi | n | |||
| 7/8" | 3-9/16" | 2-5/8" | 1" | 11/32" | 1/2" | 0.15" | 1-13/16" | 57/64" | 0.256" | |||