VXB
25mm 枕ブロック鋳鉄25mm ベアリング
タイトル
通常価格
$65.00
セール価格$130.0065ドルお得
SKU: Kit16111
UPC: 00193019225684
UPC: 00193019225684
Item: FHPWC205-25mm Bearing
Type: Pillow Block Cast Iron Light Duty
Shaft Diameter: 25mm
Bolt Size: 1/2" inch
Bearing No: FH205-16
Type: Pillow Block Cast Iron Light Duty
Shaft Diameter: 25mm
Bolt Size: 1/2" inch
Bearing No: FH205-16
| この商品は1週間以内に発送されます 返品には15%の返品手数料がかかります。 |
|
25mm 枕ブロック鋳鉄軽負荷玉軸受 偏心ロッキングカラー 25mm Inner Diameter |
|
25mm 205-25mmのピロー・ブロックの鋳鉄の軽量ボールベアリング、軸受けは風変りな錠つばである、軸受けは固体フィートのハウジングの設計である、軸受けに狭い内部リングがある、軸受けはNon-relubricatable単位である、標準的なシールはRST堅く乗る、完全なカバー、金属のシュラウドのsealsである。
|
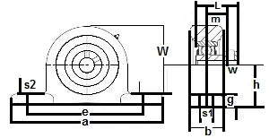
| Dimensions mm | ||||||||||||
|---|---|---|---|---|---|---|---|---|---|---|---|---|
| h | a | e | b | s1 | s2 | g | w | L | n | m | i | W |
| 36.51 | 130.2 | 100 | 29.4 | 11.1 | 15.9 | 12.7 | 70.6 | 31 | 7.5 | 14 | 9.5 | 38.1 |