VXB
FHPW207-23 枕ブロック鋳鉄製 1inch
タイトル
通常価格
$119.99
セール価格$184.0064.01ドルお得
SKU: Kit18345
UPC: 00193019262245
UPC: 00193019262245
Item: FHPW207-23 Bearing
Type: Pillow Block Cast Iron Light Duty
Shaft Diameter: 1 7/16" Inch
Bolt Size: 1/2" inch
Bearing No: FH207-23
Type: Pillow Block Cast Iron Light Duty
Shaft Diameter: 1 7/16" Inch
Bolt Size: 1/2" inch
Bearing No: FH207-23
| この商品は1週間以内に発送されます 返品には15%の返品手数料がかかります。 |
|
FHPW207-23 枕ブロック ダクタイル鋳鉄製 軽量ボールベアリング 偏心ロックカラー Inner Diameter Inch |
FHPW207-23 ピローブロック ダクタイル鋳鉄製 軽量用玉軸受軸受は一体型フットハウジング設計軸受は狭内輪を採用軸受は再潤滑不可ユニット標準シールはRST密着型フルカバー金属seals
|
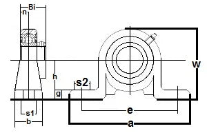
| Dimensions Inches | ||||||||||||
|---|---|---|---|---|---|---|---|---|---|---|---|---|
| h | a | e | b | s1 | s2 | g | w | L | n | m | i | W |
| 1-7/8" | 6-1/4" | 5" | 1-3/8" | 9/16" | 13/16" | 7/16" | 3-5/32" | 1-13/32" | 3/8" | 5/8" | 17/32" | 2-13/64" |