VXB
FHPW206-18G 枕ブロック鋳鉄 1-1/8 "ベアリング
タイトル
通常価格
$108.00
セール価格$220.00112.00ドルお得
SKU: Kit18332
UPC: 00193019262115
UPC: 00193019262115
Item: FHPW206-18G Bearing
Type: Pillow Block Cast Iron Light Duty
Shaft Diameter: 1 1/8" Inch
Bolt Size: 3/8" inch
Bearing No: FH206-18
Type: Pillow Block Cast Iron Light Duty
Shaft Diameter: 1 1/8" Inch
Bolt Size: 3/8" inch
Bearing No: FH206-18
| この商品は1週間以内に発送されます 返品には15%の返品手数料がかかります。 |
|
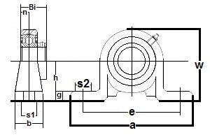
FHPW206-18G 枕ブロック延性軽量玉軸受 偏心ロッキングカラー 1 1/8Inch Inner Diameter |
FHPW206-18G Pillow Block Ductile Light Duty Ball Bearing, Bearing is solid foot housing design, bearing has Narrow inner ring, bearing is relubricatable unit, Standard seal is RST tight riding, full cover, metal shroud seals.
|
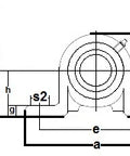
| Dimensions Inches | ||||||||||||
|---|---|---|---|---|---|---|---|---|---|---|---|---|
| h | a | e | b | s1 | s2 | g | w | L | n | m | i | W |
| 1-11/16" | 5-15/16" | 4-23/32" | 1-5/16" | 9/16" | 13/16" | 7/16" | 3-5/32" | 1-13/32" | 23/64" | 37/64" | 15/32" | 1-3/4" |