VXB
FHPW204-12G 枕ブロック鋳鉄 3/4 "inch 軸受
タイトル
通常価格
$70.00
セール価格$140.0070ドル引き
SKU: Kit18318
UPC: 00193019261972
UPC: 00193019261972
Item: FHPW204-12G Bearing
Type: Pillow Block Cast Iron Light Duty
Shaft Diameter: 3/4" Inch
Bolt Size: 3/8" inch
Bearing No: FH204-12G
Type: Pillow Block Cast Iron Light Duty
Shaft Diameter: 3/4" Inch
Bolt Size: 3/8" inch
Bearing No: FH204-12G
| この商品は1週間以内に発送されます 返品には15%の返品手数料がかかります。 |
|
FHPW204-12G 枕ブロック延性軽量玉軸受 偏心ロッキングカラー 3/4Inch Inner Diameter |
FHPW204-12G のピロー・ブロック延性がある軽負荷のボール ベアリングは、軸受け固体フィート ハウジングの設計です、軸受けに狭い内リングが、軸受けです relubricatable 単位、標準的なシールです RST の堅い乗車、完全なカバー、金属のシュラウドのsealsあります。
|
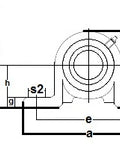
| Dimensions Inches | ||||||||||||
|---|---|---|---|---|---|---|---|---|---|---|---|---|
| h | a | e | b | s1 | s2 | g | w | L | n | m | i | W |
| 1-5/16" | 4-3/4" | 3-13/16" | 1-1/16" | 7/16" | 5/8" | 3/8 | 2-7/16 | 63/64" | 19/64" | 35/64" | 3/8" | 1-1/4" |