VXB
FHPPZ205-14-IL 枕ブロック プレス鋼製inch
タイトル
通常価格
$65.00
セール価格$130.0065ドルお得
SKU: Kit18415
UPC: 00193019262832
UPC: 00193019262832
Item: FHPPZ205-14-IL Bearing
Type: Pillow Block Pressed Steel Ball Bearing
Shaft Diameter: 7/8" Inch
Bolt Size: 3/8" Inch
Bearing No: FH205-14
Type: Pillow Block Pressed Steel Ball Bearing
Shaft Diameter: 7/8" Inch
Bolt Size: 3/8" Inch
Bearing No: FH205-14
| この商品は1週間以内に発送されます 返品には15%の返品手数料がかかります。 |
|
FHPPZ205-14-IL ピローブロックプレス鋼ボールベアリング セットスクリューロック 7/8 "Inch Inner Diameter |
FHPPZ205-14-ILピロー・ブロックは鋼鉄ボールベアリングを押した、軸受けはライト級選手、自己一直線に並ぶ押された鋼鉄ハウジングである、ハウジングの単位はインターロッキング特徴(ILの接尾辞)と利用できる、軸受けは狭い内リング、標準的なシールであるRST堅く乗る、完全なカバー、金属のシュラウドのsealsである。
|
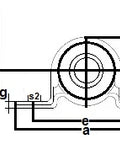
| Dimensions Inches | ||||||||||||
|---|---|---|---|---|---|---|---|---|---|---|---|---|
| h | a | e | b | s1 | s2 | g | w | L | n | m | i | W |
| 1-1/8" | 4-19/64" | 3-3/8" | 1" | 7/16" | 7/16" | 1/8" | 2-7/32" | 1-7/32" | 0.295" | 35/64" | 3/8" | 1-1/2" |