VXB
FHLF205-14 ベアリングフランジ2ボルト7/8inch
タイトル
通常価格
$59.99
セール価格$100.0040.01ドルお得
SKU: Kit17530
UPC: 00193019229545
UPC: 00193019229545
Item: FHLF205-14 Bearing
Type: Flange Light Duty 2 Bolt Unit
Shaft Diameter: 7/8" Inch
Bolt Size: 5/16" inch
Bearing No: FH205-14
Type: Flange Light Duty 2 Bolt Unit
Shaft Diameter: 7/8" Inch
Bolt Size: 5/16" inch
Bearing No: FH205-14
| この商品は1週間以内に発送されます 返品には15%の返品手数料がかかります。 |
|
FHLF205-14 フランジ軽負荷 2 ボルト ユニット ボールベアリング 偏心ロッキングカラー 7/8"Inner Diameter |
FHLF205-14フランジライトデューティ2ボルトユニットボールベアリング、ベアリングは軽量、高品位鋳鉄、限られた取り付けスペースでのアプリケーションに最適です、ベアリングは狭い内輪です、ベアリングは非給油式です、標準シールはRSTタイトライディング、フルカバー、金属sealsです。
|
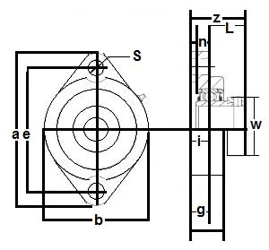
| Dimensions inches | ||||||||||
|---|---|---|---|---|---|---|---|---|---|---|
| a | e | i | g | l | s | b | Z | L | n | W |
| 3-3/4" | 2-63/64" | 7/16" | 7/16" | 25/32" | 25/64" | 2-13/32" | 1-23/64" | 7/32" | 19/64" | 1-1/2" |