UCP206-19 ピローブロック取付ベアリング(円筒穴、止めネジ付き)、Inner Diameter .Inch 。産業機械やコンベアにおける高負荷容量と長寿命を実現するために設計された、Inner Diameter ハウジングを採用。
UPC: 00193019348390
Type: Mounted Ball Bearing
Shaft Dia: 1 3/16" inch
Bolt Size: 1/2" inch
Bearing No: UC206-19
✔️ 内径16 in、ボルトサイズ2 in、単体ベアリング
このUCP206-19ピローブロックベアリングは、機械、コンベヤ、その他の産業用機器において、回転軸を支えるために使用される一般的な組み込み型ボールベアリングユニットです。セットスクリュー付きの円筒形内径とリブ付きハウジングを採用しており、多方向からの荷重に強力に耐えることができます。過酷な使用条件や衝撃荷重がかかる環境向けに、鋳鋼製ハウジングも用意されています。
✅Bore: 16 in 1.in)
✅ 軸径:16 in
✅size: 2 in
✅No:
✅ 基本荷重(Cr):19.5kN、基本荷重(Cor):11.3kN
✅Quantity:
✅ ハウジング:標準ピローブロック;鋳鋼製ハウジングも選択可能
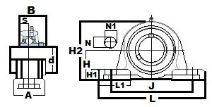
✅Dimensions inches):
| 寸法 | 価値 |
|---|---|
| d | 1-1/8インチ(1.125インチ) |
| H | 1-11/16インチ(1.6875インチ) |
| L | 6-1/2インチ(6.5インチ) |
| A | 1-7/8インチ(1.875インチ) |
| J | 4-3/4インチ(4.75インチ) |
| N | 21/32インチ(0.65625インチ) |
| N1 | 13/16インチ(0.8125インチ) |
| H1 | 19/32インチ(0.59375インチ) |
| H2 | 3-5/16インチ(3.3125インチ) |
| L1 | 2-3/32インチ(2.09375インチ) |
| B | 1-1/2インチ(1.5インチ) |
| S | 5/8インチ(0.625インチ) |
💡 産業機械においてピローブロックベアリングはどのような用途に使われるのでしょうか?簡潔でわかりやすい答えを知れば、なぜこれらが幅広い機器で使用されているのかが理解しやすくなります。- ピローブロックベアリングは、コンベヤ、ギアボックス、CNC 、重機などで軸を支える役割を果たします。 - 産業環境でのメンテナンスの容易さと長寿命を実現するため、sealed が内蔵されています。 - UC206-19サイズのユニットは一般的な軸径に適合し、支持荷重下でも堅牢な取り付けが可能です。 - セットスクリューやアダプターと併用して軸を固定することで、負荷がかかった状態でも信頼性の高い動作を実現します。
必要なベアリングが見つからなかったので、電話で私の情報を伝えました。 彼女はクロスリファレンスして、私の地元の販売店よりもはるかに良い価格で正しいベアリングを見つけてくれました。 ベアリングは3日で届き、翌日には取り付けられました。