VXB
耐荷重154ポンド シリンダースプリングボールトランスファーベアリングユニット
タイトル
通常価格
$49.99
セール価格$66.9917ドルお得
SKU: 154LBS-CYLINDER-SPRING-BALL
UPC: 00193019063910
UPC: 00193019063910
Item: 154 lbs Heavy Duty Ball Unit Bearing
Type: Cylinder Spring Ball Transfer Unit
Ball Material: Steel
Load Capacity: 154lbs
Breaking load: 176LBS
Type: Cylinder Spring Ball Transfer Unit
Ball Material: Steel
Load Capacity: 154lbs
Breaking load: 176LBS
|
耐荷重154ポンド シリンダースプリングボールトランスファーベアリングユニット |
| Model 番号 |
負荷 容量 (lbs) |
破断 荷重 (lbs) |
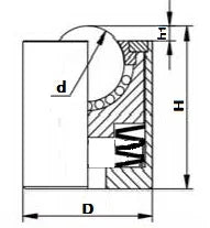
d | D | H | h1 | 重量 (lbs) |
| KSH20 | 154 | 176 | 19.05mm | 38mm | 38mm | 3mm |
0.13 |
| InchDimensions | 0.75" | 1.49" | 1.49" | 0.11" | |||
|