VXB
UCPH210-31 Cuscinetto 1 15/16" a blocco cuscinetto montato
Titolo
Prezzo normale
$59.99
Prezzo di vendita$100.00risparmiate 40,01 dollari
SKU: UCPH210-31
UPC: 00193019333549
UPC: 00193019333549
Item: UCPH210-31 Bearing
Type: high centerheight pillow unit
Bolt Size: 5/8
Basic Load (Cr): 35.1 KN
Basic Load (Cor): 23.3 KN
Type: high centerheight pillow unit
Bolt Size: 5/8
Basic Load (Cr): 35.1 KN
Basic Load (Cor): 23.3 KN
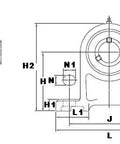
| UCPH210-31 Cuscinetto con blocco cuscinetto Foro cilindrico (con viti di fissaggio) Inner Diameter 1-15/16" |
|
Questa unità è del tipo a cuscino ad alta altezza centrale e presenta una grande resistenza ai carichi d'urto. È adatto per i macchinari in cui è richiesta una maggiore altezza dalla base al centro. Le applicazioni sono i macchinari per la stampa e la centrifuga.
|
| Dimensions Inches) | |||||||||||
|---|---|---|---|---|---|---|---|---|---|---|---|
| d | H | L | A | J | N | N1 | H1 | H2 | L1 | B | S |
| 1-15/16" | 4-21/64" | 8-1/8" | 2-3/4" | 6-1/4" | 25/32" | 7/8" | 7/8" | 6-1/2" | 2-9/16" | 2.031" | 0.748" |
Condividi