VXB
UCPH209-27 Cuscinetto 1 11/16" a blocco cuscinetto montato
Titolo
Prezzo normale
$59.99
Prezzo di vendita$100.00risparmiate 40,01 dollari
SKU: UCPH209-27
UPC: 00193019333501
UPC: 00193019333501
Item: UCPH209-27 Bearing
Type: high centerheight pillow unit
Bolt Size: 1/2
Basic Load (Cr): 34.1 KN
Basic Load (Cor): 21.3 KN
Type: high centerheight pillow unit
Bolt Size: 1/2
Basic Load (Cr): 34.1 KN
Basic Load (Cor): 21.3 KN
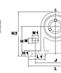
| UCPH209-27 Cuscinetto con blocco cuscinetto Foro cilindrico (con viti di fissaggio) Inner Diameter 1-11/16" |
|
Questa unità è del tipo a cuscino ad alta altezza centrale e presenta una grande resistenza ai carichi d'urto. È adatto per i macchinari in cui è richiesta una maggiore altezza dalla base al centro. Le applicazioni sono i macchinari per la stampa e la centrifuga.
|
| Dimensions Inches) | |||||||||||
|---|---|---|---|---|---|---|---|---|---|---|---|
| d | H | L | A | J | N | N1 | H1 | H2 | L1 | B | S |
| 1-11/16" | 4-9/64" | 7-15/32" | 2-3/4" | 5-3/4" | 21/32" | 13/16" | 25/32" | 6-7/32" | 2-9/32" | 1.937" | 0.748" |
Condividi