VXB

Cuscinetto UCPH206-20 Cuscinetto montato a blocco cuscinetto da 1-1/4"

Prezzo normale $39.99 Prezzo di vendita$80.00risparmiate 40,01 dollari
SKU: UCPH206-20
UPC: 00193019333396
Item: UCPH206-20 Bearing
Type: high centerheight pillow unit
Bolt Size: 1/2
Basic Load (Cr): 19.5 KN
Basic Load (Cor): 11.3 KN
UCPH206-20
Cuscinetto con blocco cuscinetto
Foro cilindrico (con viti di fissaggio)
Inner Diameter 1-1/4"


Questa unità è del tipo a cuscino ad alta altezza centrale e presenta una grande resistenza ai carichi d'urto. È adatto per i macchinari in cui è richiesta una maggiore altezza dalla base al centro. Le applicazioni sono i macchinari per la stampa e la centrifuga.

  • UCPH206-20
  • unità cuscino ad alta altezza centrale
  • Size: bullone Size: 1/2".
  • Carico di baseCr): 19,5 KN
  • Carico di baseCor): 11,3 KN
  • Cuscinetto No: UC206-20
  • Quantity: Un cuscinetto


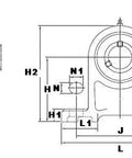
Dimensions Inches)
d H L A J N N1 H1 H2 L1 B S
1-1/4" 3-35/64" 6-1/2" 1-31/32" 4-3/4" 21/32" 13/16" 23/32" 5-1/8" 1-7/32" 1.5" 0.626"