UCFA207 Unità cuscinetto a cartuccia flangiata 35mm

Prezzo normale $39.99 Prezzo di vendita$61.00risparmiate $21,01
SKU: Kit13764
UPC: 00193019213292
Item: UCFA207 Bearing
Type: Adjustable Flange Cartridge Unit
Basic Dynamic Load (Cr): 25,700 N
Basic Static Load (Cor): 15,400 N
Bolt Size: 1/2" Inch
UCFA207 Unità a cartuccia con flangia regolabile
35mm Inner Diameter35mm


UCFA207 Unità a cartuccia con flangia regolabile, inner Diameter 35mm.

  • Cuscinetto UCFA207
  • Unità a cartuccia con flangia regolabile
  • Carico dinamico di baseCr): 25,700 N
  • Carico statico di baseCor): 15,400 N
  • Size: bullone Size: 1/2" Inch
  • Cuscinetto No: UC207
  • No: alloggiamento No: FA207
  • Quantity: 1 cuscinetto


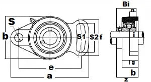
Dimensions mm)
a e i g S S1 S2 b f z Bi n
161.1 130.2 19.05 15.9 13.9 15.08 65.9 90.1 82.15 44.45 42.9 17.5



OldFormat