UCFA201 Unità cuscinetto a cartuccia con flangia regolabile 12mm montato su cuscinetto

Prezzo normale $39.99 Prezzo di vendita$80.00risparmiate 40,01 dollari
SKU: Kit13757
UPC: 00193019213223
Item: UCFA201 Bearing
Type: Flange Cartridge Unit
Basic Load (Cr): 12.8 KN
Basic Load (Cor): 6.65 KN
Bolt Size: 5/16
UCFA201 Unità a cartuccia con flangia regolabile
Inner Diameter12mm


UCFA201 Unità a cartuccia con flangia regolabile, il inner Diameter è di 12mm inch.

  • Cuscinetto UCFA201
  • Flangia Unità a cartuccia
  • Carico di baseCr): 12,8 KN
  • Carico di baseCor): 6,65 KN
  • Size: bullone Size: 5/16".
  • Cuscinetto No: UC201
  • No: alloggiamento: FA204
  • Quantity: 1 cuscinetto


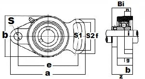
Dimensions mm)
a e i g S S1 S2 b f z Bi n
102 77.8 15.1 11.9 9.9 9.9 36.1 60.3 54 33.3 31 12.7



OldFormat