NB
SMSF6 6mm Slide Bush Bushings Miniature Motion Linear Bearing
Titolo
Prezzo normale
$70.00
Prezzo di vendita$140.00risparmiate $70,00
SKU: Kit20062
UPC: 00193019115695
UPC: 00193019115695
Item: SMSF6 Bearing
Type: Linear Miniature Slide Bush
Retainer Material: Steel
Quantity: One Bearing
Dynamic load rating Cr: 206 N
Type: Linear Miniature Slide Bush
Retainer Material: Steel
Quantity: One Bearing
Dynamic load rating Cr: 206 N
| SMSF6 Flangia rotonda Anticorrosione Tipo: Bussola di scorrimento miniaturizzata Made in JapanNB Linear Systems NipponNippon Bearing Miniature Linear Systems |
SMSF6 Round Flange Anticorrosion Miniature Linear Slide Bush, The retainer material is steel, series mainly used in the USA, NB brand (Nippon Bearing Linear Systems), Made in Japan.
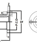
|
| Major Dimensions | ||||||||
|---|---|---|---|---|---|---|---|---|
| dr | D | L | Df | t | P.C.D | X x x | ||
| mm | tolerance | mm | tolerance | |||||
| 6 | 0-9 | 12 | 0-13 | 19 | 28 | 5 | 20 | 3,5 x x ,1 |
Condividi