NB
SMSF40GUU 40mm Slide Bush Boccole Movimento Cuscinetto lineare
Titolo
Prezzo normale
$355.99
Prezzo di vendita$545.00risparmiate $189,01
SKU: Kit20111
UPC: 00193019116180
UPC: 00193019116180
Item: SMSF40GUU Bearing
Type: Linear Slide Bush
Retainer Material: Resin
Quantity: One Bearing
Dynamic load rating Cr: 2160 N
Type: Linear Slide Bush
Retainer Material: Resin
Quantity: One Bearing
Dynamic load rating Cr: 2160 N
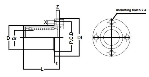
| SMSF40GUU Flangia rotonda Tipo anticorrosione Bussola di scorrimento Made in Japan: NB Linear Systems NipponNippon Bearing Linear Systems |
Boccola Linear Slide anticorrosione a flangia rotonda SMSF40GUU , Il retainer material è la resina, le seals su entrambi i lati, series utilizzata principalmente negli USA, marchio NBNippon Bearing sistemi lineariNippon Bearing ), prodotto in Giappone.
|
| Major Dimensions | ||||||||
|---|---|---|---|---|---|---|---|---|
| dr | D | L | Df | t | P.C.D | X x x | ||
| mm | tolerance | mm | tolerance | |||||
| 40 | 0-12 | 60 | 0-22 | 80 | 96 | 13 | 78 | 9 x x ,1 |
Condividi