NB
SMSF20UU 20mm Slide Bush Bushings Miniature Motion Linear Bearing
Titolo
Prezzo normale
$120.00
Prezzo di vendita$250.00risparmiate $130,00
SKU: Kit20094
UPC: 00193019116012
UPC: 00193019116012
Item: SMSF20UU Bearing
Type: Linear Miniature Slide Bush
Retainer Material: Steel
Bearing Inner Diameter: 20mm
Quantity: One Bearing
Type: Linear Miniature Slide Bush
Retainer Material: Steel
Bearing Inner Diameter: 20mm
Quantity: One Bearing
| SMSF20UU Flangia rotonda Anticorrosione Tipo: Bussola di scorrimento miniaturizzata Made in JapanNB Linear Systems NipponNippon Bearing Miniature Linear Systems |
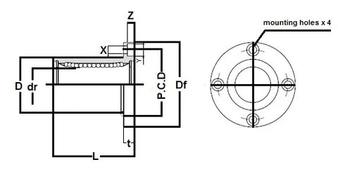
Boccola Linear Slide miniaturizzata anticorrosione della flangia rotonda di SMSF20UU , il retainer material è acciaio, è seals pn entrambi i lati, series pricipalmente usata negli S.U.A., marca di NBNippon Bearing sistemi lineariNippon Bearing ), fatti in Giappone.
|
| Major Dimensions | ||||||||
|---|---|---|---|---|---|---|---|---|
| dr | D | L | Df | t | P.C.D | X x x | ||
| mm | tolerance | mm | tolerance | |||||
| 20 | 0-10 | 32 | 0-19 | 42 | 54 | 8 | 43 | 5,5 x x ,1 |
Condividi