NB
SMSF20 20mm Slide Bush Bushings Cuscinetto lineare di movimento in miniatura
Titolo
Prezzo normale
$122.99
Prezzo di vendita$188.00risparmiate $65,01
SKU: Kit20068
UPC: 00193019115756
UPC: 00193019115756
Item: SMSF20 Bearing
Type: Linear Miniature Slide Bush
Retainer Material: Steel
Quantity: One Bearing
Dynamic load rating Cr: 882 N
Type: Linear Miniature Slide Bush
Retainer Material: Steel
Quantity: One Bearing
Dynamic load rating Cr: 882 N
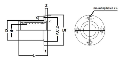
| SMSF20 Flangia rotonda Anticorrosione Tipo: Bussola di scorrimento miniaturizzata Made in JapanNB Linear Systems NipponNippon Bearing Miniature Linear Systems |
SMSF20 Round Flange Anticorrosion Miniature Linear Slide Bush, The retainer material is steel, series mainly used in the USA, NB brand (Nippon Bearing Linear Systems), Made in Japan.
|
| Major Dimensions | ||||||||
|---|---|---|---|---|---|---|---|---|
| dr | D | L | Df | t | P.C.D | X x x | ||
| mm | tolerance | mm | tolerance | |||||
| 20 | 0-10 | 32 | 0-19 | 42 | 54 | 8 | 43 | 5,5 x x ,1 |
Condividi